Логотип.
 Разделы сайта Cтатьи.
Сайт в разработке!

Статистика сайта.

Посещений за день: 225
Посещений за месяц: 2883
Посещений за год: 12321


Баннеры.

DMconnect
Maksy's PWS


Статистика в картинках.

likes counter


  • Главная.
  • Новости.
  • Программы.
  • Файлы.
  • Контакты.
  • Чат "Пиво".
  • Форум.
  • Статьи.
  • Ссылки.
  • Гостевая.
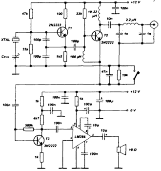
  • Простой КВ-минитрансивер.

     Для сборки простого КВ-минитрансивера потребуется всего три транзистора 2N2222 (аналог -КТ315) и одна микросхема LM386 (можно использовать К157УД1). На схеме (рис.1) T1 работает как генератор, Т2 -смеситель (в режиме приема) и УВЧ (при передаче).



     При нажатом телеграфном ключе эмиттер и база Т2 по постоянному току соединяются с общим проводом, при отжатом - через транзистор течет ток покоя и эмиттер является выходом смесителя. ТЗ работает как предусилитель НЧ, т.к. один LM386 не обеспечивает достаточное усиление. Трансивер может работать в различных диапазонах, для этого необходимо иметь соответствующий кварц, а также индуктивность и конденсаторы П-контура:

    Диапазон, м

    Емкость, пФ

    Индуктивность,

    мкГн

    20

    270

    0,72

    30

    330

    0,98

    40

    470

    1,28

    80

    750

    5,78



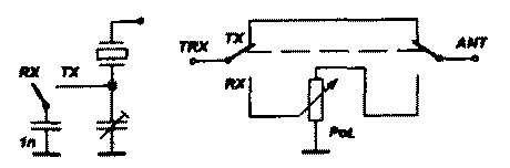
     На 80 метрах использовался кварц на 3,579 МГц от телевизионного декодера NTSC. Трансивер имеет выходную мощность 200 мВт. Для обеспечения разноса частот приема и передачи около 1 кГц можно подключать в режиме передачи дополнительный конденсатор 1000 пф параллельно триммеру в цепи кварца (рис. 2).



     На этом же рисунке показан вариант включения аттенюатора в режиме приема для повышения динамических характеристик приемника. На рис.3 показаны рисунок печатной платы и расположение на ней элементов.

    >>

    BitByByte, 2000 г. (2026).