Логотип.
 Разделы сайта Cтатьи.
Сайт в разработке!

Статистика сайта.

Посещений за день: 146
Посещений за месяц: 2288
Посещений за год: 5001


Баннеры.

DMconnect
Maksy's PWS


Статистика в картинках.

likes counter


  • Главная.
  • Новости.
  • Программы.
  • Файлы.
  • Контакты.
  • Чат "Пиво".
  • Статьи.
  • Ссылки.
  • Гостевая.
  • Простой телефон.

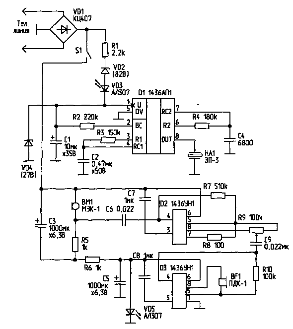
     Предлагаю схему телефонного аппарата, которая обладает следующими отличительными свойствами по сравнению с широко известными [1]: - в вызывном устройстве отсутствует высоковольтный разделительный конденсатор, и оно постоянно включено в шлейф телефонной линии; - использование в качестве микрофонного и телефонного усилителей микросхем К1436УН1 (аналог МС34119) позволило сократить до минимума количество элементов "обвязки" разговорного узла.

     Данный телефон позволяет принять вызов и провести разговор. Его можно использовать для кухни, ванной комнаты и т.д. Разместить можно в корпусе детской игрушки, в пенале от зубной щетки. При желании схему можно дополнить и номеронабирателем. Микросхема звонка К 1436АП 1 (аналог DBL5001/2) включена по стандартной схеме. Единственное отличие — в цепь питания микросхемы включен стабилитрон VD2 с напряжением стабилизации 82 В. Благодаря ему вызывное устройство не шунтирует телефонную линию при наборе номера и при разговорном соединении.



     Разговорный узел собран на микросхемах D2 и D3. Конденсатор СЗ и резистор R6 — фильтр питания для микрофона ВМ1. С7 — блокировочный. Нагрузкой микросхемы D2 является резистор R8. Схема подавляет местный эффект. Регулировка ее производится резистором R9.

     При стабильных параметрах R5, ВМ1, R7, R8 резистор R9 можно заменить на два постоянных резистора. Величина сигнала для телефона BF1 устанавливается резистором R10. Микросхема D3 запитывается от параметрического стабилизатора R6-VD5-C5. Конденсатор С8 — блокировочный.

     Из-за простоты и хорошей повторяемости эту схему можно использовать для улучшения старых телефонных аппаратов.

    >>

    BitByByte, 2000 г. (2026).