Логотип.
 Разделы сайта Cтатьи.
Сайт в разработке!

Статистика сайта.

Посещений за день: 173
Посещений за месяц: 2861
Посещений за год: 12305


Баннеры.

DMconnect
Maksy's PWS


Статистика в картинках.

likes counter


  • Главная.
  • Новости.
  • Программы.
  • Файлы.
  • Контакты.
  • Чат "Пиво".
  • Форум.
  • Статьи.
  • Ссылки.
  • Гостевая.
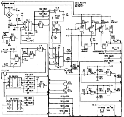
  • Разветвлитель телефонной линии.

     Предлагаю устройство, которое позволяет подключить к телефонной линии дополнительного абонента.

     Для связи с ним используется способ повторного набора номера, т.е. набрав номер и услышав гудок контроля вызова, нужно положить трубку и сразу же набрать номер повторно.

     Кроме того, устройство содержит дополнительные блоки, которые позволяют учитывать время разговора и контролировать звонки по межгороду.

     



     Устройство состоит из трех функционально законченных блоков:базового и двух сервисных - блока учета времени разговора и блока анализа выхода на межгород.

     Рассмотрим работу базового блока (рис. 1).

     При поступлении индукторной посылки вызова, на выходе диодного моста VD1 (точка А) появляется импульсное напряжение амплитудой 120 В и частотой 25 Гц. Длительность импульса - 1с, пауза - 4с. Компаратор D1.1 преобразует это напряжение в серию прямоугольных импульсов уровня МОП ИМС.

     С выхода D1.1 импульсы подаются на одновибраторы D2.1, 02.2. Одновибратор D2.1 имеет постоянную времени, равную 5 с, т.е. периоду индукторных посылок. Одновибратор D2.2 преобразует импульсы с выхода компаратора в одиночный импульс длительностью 1 с.

     В режиме ожидания входящего вызова оба абонента подключены к телефонной линии через открытые ключи DA1...DA4. Открывает ключи уровень логической "1", поступающий с выхода элемента D1.2 через транзистор VT2 и диоды VD13, VD14.

     При приходе первой индукторной посылки срабатывает одновибратор D2.1, в результате чего на его выходе появляется уровень логической "1", а на выходе инвертора D1.2 - логический "О". Уровень "1" через диоды VD2, VD3 поступает на входы R триггеров D6.1, D6.2, сбрасывая их в ноль и тем самым отключая обоих абонентов от телефонной линии. В этот момент производится определение,к какому абоненту - основному или дополнительному - адресуется вызов.

     Если вызов идет к основному абоненту, индукторная посылка с выхода одновибратора D2.2 через схему задержки D1.3, D1.4 и открытый ключ VT1 поступает на счетчик D4. После подсчета пяти импульсов счетчик самоблокируется по входу V. С выхода 5 (вывод 1) D4 логическая "1" через диод VD8 поступает на вход S (вывод 14) триггера D6.1, устанавливает его в "1" и тем самым открывает ключи DA1, DA2, подключая к телефонной линии основного абонента. Одновременно с выхода инвертора D3.1 уровнем логического "О" обрывается импульс по выходу D2.1.

     При снятии трубки основным абонентом в цепи телефонного аппарата начинает протекать ток. При этом на резисторе R11 падает напряжение около 8 В относительно общего провода, что соответствует паспортным данным уровня логической "1" МОП ИМС. Резисторы R11, R12 не оказывают какого-либо влияния на работу телефона, и их номинал может варьироваться в небольших пределах для подбора напряжения, при котором происходит четкое срабатывание логики. Напряжение с резистора R11 подается через диоды VD15, VD16 на вход S D6.1 и вход R D6.2. В результате основной абонент постоянно подключен к телефонной линии, а дополнительный - отключен. В принципе, диод VD15 может быть исключен из схемы, т.к. на вход S D6.1 поступает уровень логической "1" с выхода 5 D4. Для более надежной блокировки телефонного аппарата дополнительного абонента в схему включены ключи VT2...VT4. Ключ VT2 отключает выход инвертора D1.2 при поднятии трубки, а ключ VT3 дополнительно "сажает" на землю резистор R12.

     По окончании разговора основным абонентом, когда он кладет трубку на телефонный аппарат, по спаду уровня логической "1" на резисторе R11 срабатывает формирователь импульсов на элементе D3.4. Уровнем логической "1" с выхода формирователя сбрасываются счетчики D4, D5, подготавливая устройство к очередному приему вызова. Счетчик D5 при вызове основного абонента на работу схемы влияния не оказывает. Он необходим для управления ключом VT1 и сохранения результата подсчета первой серии индукторных посылок при доз-воне до дополнительного абонента. Так как с выхода одновибратора D2.1 на вход С D5 приходит один импульс при дозвоне до основного абонента, то на базе транзистора VT1 присутствует уровень "1", и транзистор открыт.

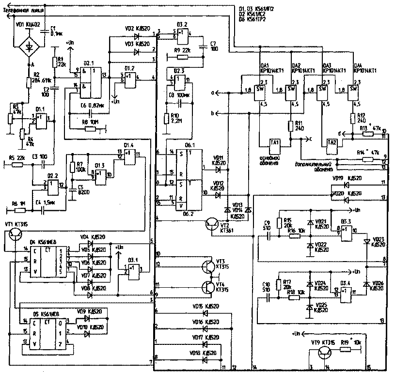
     Режим входящего вызова дополнительного абонента. Вызов дополнительного абонента выбран повторным набором номера. При этом, не дожидаясь прихода пятого сигнала контроля посылки вызова, необходимо нажать на рычаг отбоя. Так же как в первом случае, происходит отключение обоих абонентов для определения адресата вызова. Счетчик D4 успеет подсчитать 2...4 импульса. После повторного набора номера первая же индукторная посылка переключает счетчик D5 в состояние, соответствующее двум подсчитанным импульсам, ключ VT1 закрывается, не пропуская импульсы на счетный вход D4. Через 5 секунд после нажатия на рычаг отбоя на входах элемента D3.2 будут присутствовать уровни логического "О" и "1". На выходе этого элемента появляется уровень логической "1", который запускает одновибратор D2.3, включающий на 1...2 мин телефонный аппарат дополнительного абонента.

     Для исключения одновременного поступления уровней логической "1" на входы триггера D6.2 с выходов одновибраторов D2.1, D2.3, ключ на транзисторе VT9 при поднятии трубки любым абонентом "сажает" выход D2.1 через резистор R19 на землю. Если в течение 1...2 мин трубка не была снята, спадом положительного импульса с выхода одновибратора D2.3 запускается формирователь импульса сброса D3.3. Если дополнительный абонент взял трубку, уровнем логической "1" с резистора R12 блокируются RS-триггеры: D6.1 - в состоянии логического "О", а D6.2 - "1". После окончания разговора спадом положительного импульса запускается формирователь импульса сброса D3.3.

     Исходящий вызов основного или дополнительного абонентов. При подъеме трубки абонентом, уровнем логической "1" с резистора R11 или R12 устанавливаются в соответствующие состояния триггеры D6.1, D6.2. Блокировка телефонного аппарата другого абонента происходит так, как описано выше. Для более четкой работы узлов VT1; D4, D5 установлена схема задержки на время около 10 мс.

     Уровнем логической "1", поступающим с резисторов R11, R12, можно за-' пускать часы учета времени разговора как дополнительного, так и основного абонентов.

    >>

    BitByByte, 2000 г. (2026).